|
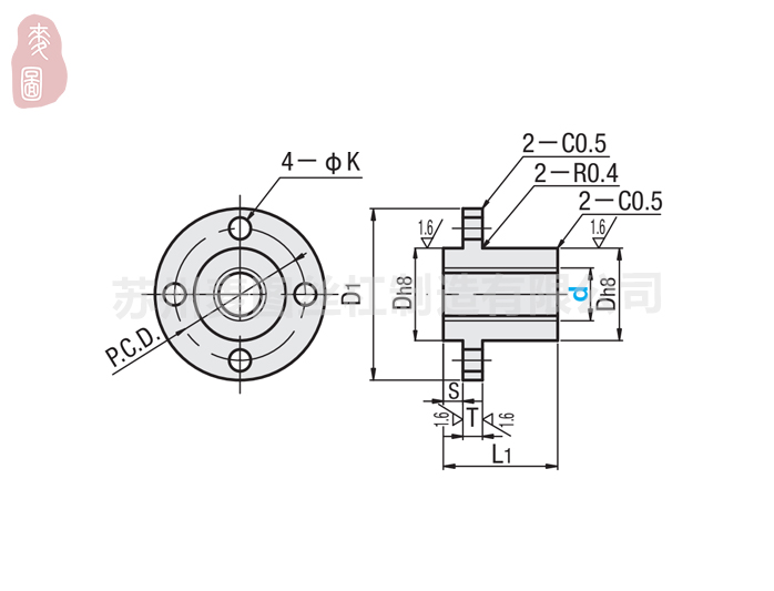
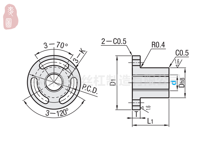
型式 |
螺距 |
D |
L1 |
D1 |
T |
S |
P.C.D. |
K |
动态容许 |
重量⑼ |
||||||
|
Type |
d |
C-MTSJR |
C-MTSER C-MTSQR |
C-MTSJR |
C-MTSER C-MTSQR |
C-MTSJR C-MTSQR |
C-MTSER |
C-MTSJR |
C-MTSER |
C-MTSQR |
||||||
|
嵌入型 |
*14 |
3 |
22 |
30 |
44 |
44 |
5 |
5 |
33 |
31 |
5.4 |
M4 |
4.165 |
110 |
112 |
98 |
|
*16 |
28 |
35 |
52 |
51 |
6 |
6 |
40 |
38 |
6.6 |
M5 |
5.67 |
204 |
204 |
178 |
||
|
*20 |
4 |
32 |
40 |
56 |
56 |
44 |
42 |
8.339 |
260 |
264 |
236 |
|||||
|
*22 |
5 |
36 |
50 |
60 |
61 |
7 |
48 |
47 |
10.506 |
404 |
414 |
378 |
||||
|
*25 |
12.087 |
344 |
354 |
318 |
||||||||||||
|
28 |
44 |
56 |
|
76 |
8 |
— |
— |
58 |
9 |
M6 |
15.258 |
— |
645 |
570 |
||
|
32 |
6 |
17.918 |
— |
595 |
520 |
|||||||||||